| ब्रांड नाम: | HongCe |
| मॉडल संख्या: | LT-3 |
| एमओक्यू: | 1 सेट |
| कीमत: | Negotiatable |
| भुगतान की शर्तें: | टी/टी |
| आपूर्ति करने की क्षमता: | 10 सेट / महीना |
पीएलसी कंट्रोल ट्रैकिंग टेस्ट उपकरण 0.5 M³ स्टेनलेस स्टील प्लेट IEC60695 ज्वलनशीलता परीक्षण उपकरण
उत्पाद का परिचय
परीक्षण मशीन को संबंधित मानकों की आवश्यकताओं के अनुसार डिज़ाइन और निर्मित किया गया है, जैसे कि IEC 60112, IEC60695 और आदि। इसका उपयोग ट्रैकिंग प्रदर्शन के सापेक्ष प्रतिरोध के निर्धारण के लिए किया जाता है जो एक विद्युत क्षेत्र की कार्रवाई के तहत ठोस विद्युत इन्सुलेट सामग्री, जब सतह अशुद्धियों से युक्त पानी के संपर्क में आती है।
यदि नमी और अशुद्धियों के पर्यावरण से प्रभावित विद्युत उत्पाद, रिसाव विभिन्न ध्रुवीयता वाले जीवित भागों या जीवित भागों और जमी हुई धातु के बीच इन्सुलेशन के कारण हो सकते हैं, तो उत्पन्न चाप में शॉर्ट सर्किट या बिजली के कटाव का कारण होगा, यहां तक कि आग का कारण भी। ट्रैकिंग परीक्षण उपरोक्त स्थिति का अनुकरण करने वाली इन्सुलेट सामग्री को मापने के लिए एक विनाशकारी परीक्षण है, जब ट्रैकिंग इन्सुलेटर पानी के प्रभाव में बिजली और अशुद्धियों के प्रभाव के सापेक्ष प्रतिरोध का आकलन करता है।
यह उपकरण उन्नत पीएलसी नियंत्रण प्रणाली, टच-स्क्रीन मानवकृत बटन ऑपरेटिंग उपकरण, उच्च गुणवत्ता वाली सामग्री और पेशेवर तकनीक को अपनाता है, जो खुद को उत्कृष्ट गुणवत्ता, स्थिर और टिकाऊ प्रदर्शन और सुंदर उपस्थिति देता है। इसके अलावा, स्वचालित ड्रिप टाइमिंग डिवाइस, सटीक इलेक्ट्रोड प्रेशर सेंसर डिस्प्ले, सरल ऑपरेशन और उच्च सटीकता परीक्षण की दक्षता में सुधार करते हैं और हमारे उपकरण इसी तरह के उत्पादों में अग्रणी स्थान लेते हैं।
तकनीकी पैमाने
| टाइमिंग डिवाइस | 9999X0.1S संकल्प | ड्रिप अंतराल | एडजस्टेबल | ||
| इलेक्ट्रोड सामग्री | प्लैटिनम | टपकने की ऊँचाई | 30 ~ 40mm | ||
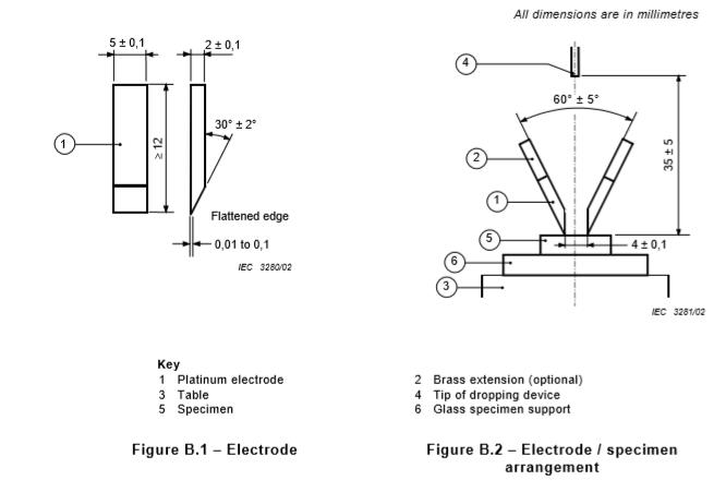
| इलेक्ट्रोड विनिर्देशों | 5 मिमी * 2mm | देरी से दबाना | 0.2S (सोलनॉइड वाल्व खुला समय) | ||
| इलेक्ट्रोड रिक्ति | 4 ± 0.1 मिमी | ड्रिप का आकार | 45 ~ 50 बूंद / सेमी 3 | ||
| इलेक्ट्रोड दबाव | 1 N 0.05 एन | विलंबित विद्युत परिपथ | 2 ± 0.1S (0.5A पर) | ||
| इलेक्ट्रोड कोण | 60 डिग्री | परीक्षण वोल्टेज रेंज | 0 ~ 600V शुद्धता: 1.5% | ||
| शॉर्ट सर्किट वोल्टेज ड्रॉप | 8% मैक्स | विद्युत मापदंडों | 1.5KW / 220VAC / 50 हर्ट्ज | ||
| शॉर्ट सर्किट करेंट | 1 1 0.1A सटीकता: 1% | काम की मात्रा | > 0.5 एम³ | ||
| पर्यावरणीय आवश्यकताएं | 0 ~ 40 ℃ /% 80% सापेक्ष आर्द्रता | ||||
| मानक | IEC60112, UL746A, IEC60695, ASTMD3638। | ||||
सामान्य परीक्षण
1. इलेक्ट्रोड और नमूना ठीक से स्थापित करें, और निकास की हवा की गति को अच्छी तरह से समायोजित करें।
2. निम्नलिखित पैरामीटर सेट करें:
A. 【ड्रापिंग इंटरवल टाइम सेटिंग 【सुझाए गए सेटिंग मान (25S), यह वास्तविक स्थिति के अनुसार समायोज्य है।
B. B. टटोलने का समय सेटिंग setting सुझाव सेटिंग मान (5S), यह वास्तविक स्थिति के अनुसार समायोज्य है।
C. 50 मात्रा सेटिंग setting सुझाव सेटिंग मान (50 बूंद या 100 बूंद), यह मानक आवश्यकताओं के अनुसार निर्धारित किया जाना चाहिए।
D. setting पूर्णता विलंब समय सेटिंग 【सुझाए गए सेटिंग मान (25S), इसे मानक आवश्यकताओं के अनुसार सेट किया जाना चाहिए।
ई। (अधिक-वर्तमान सेटिंग 【डिफ़ॉल्ट सेटिंग मान (0.5A)
एफ।】 अधिक-वर्तमान विलंब समय सेटिंग 【डिफ़ॉल्ट सेटिंग मान (2S)
3. अवलोकन विंडो बंद करें ताकि दरवाजा स्विच बंद हो
4. परीक्षण शुरू करने के लिए [प्रारंभ] बटन दबाएँ
A. अगर वर्तमान <0.5A, Display क्वांटिटी डिस्प्ले के प्रदर्शन मूल्य के बाद】 the क्वांटिटी सेटिंग test के सेट मूल्य तक पहुँच जाता है, तो 25 सेकंड की देरी के बाद पूरा परीक्षण पूरा हो जाएगा।
B. यदि वर्तमान If0.5A, परीक्षण 2 सेकंड की देरी के बाद बंद हो जाएगा, तो सिस्टम अलार्म और】 ओवर-वर्तमान अलार्म current चमक जाएगा, अलार्म को हटाने के लिए [रीसेट] बटन दबाएं।
5. आवश्यक प्रासंगिक परीक्षण मापदंडों को रिकॉर्ड करें।
6. परीक्षण पूरा होने के बाद, निकास पंखा अपने आप शुरू हो जाता है (इसे मैन्युअल रूप से बंद करने की आवश्यकता होती है)।
7. प्रदर्शित मानों को साफ़ करने के लिए [रीसेट] बटन दबाएँ।
7. [वोल्ट रेगुलेशन], [करंट रेगुलेशन] और [करंट मिनिट्रीम] को सबसे निचले स्थान पर घुमाएँ। एग्जॉस्ट फैन को बंद कर दें।
8. कांच के नमूने के समर्थन को साफ और सूखा और अगले परीक्षण के लिए तैयार करें।
ध्यान



